PLUGY Discovery | BUCK BOOST CONVERTER | 
IGBT 1200V 30A

PEM.DISC.BUST.01.A.1200.30.S.CXX.LXX

Description:

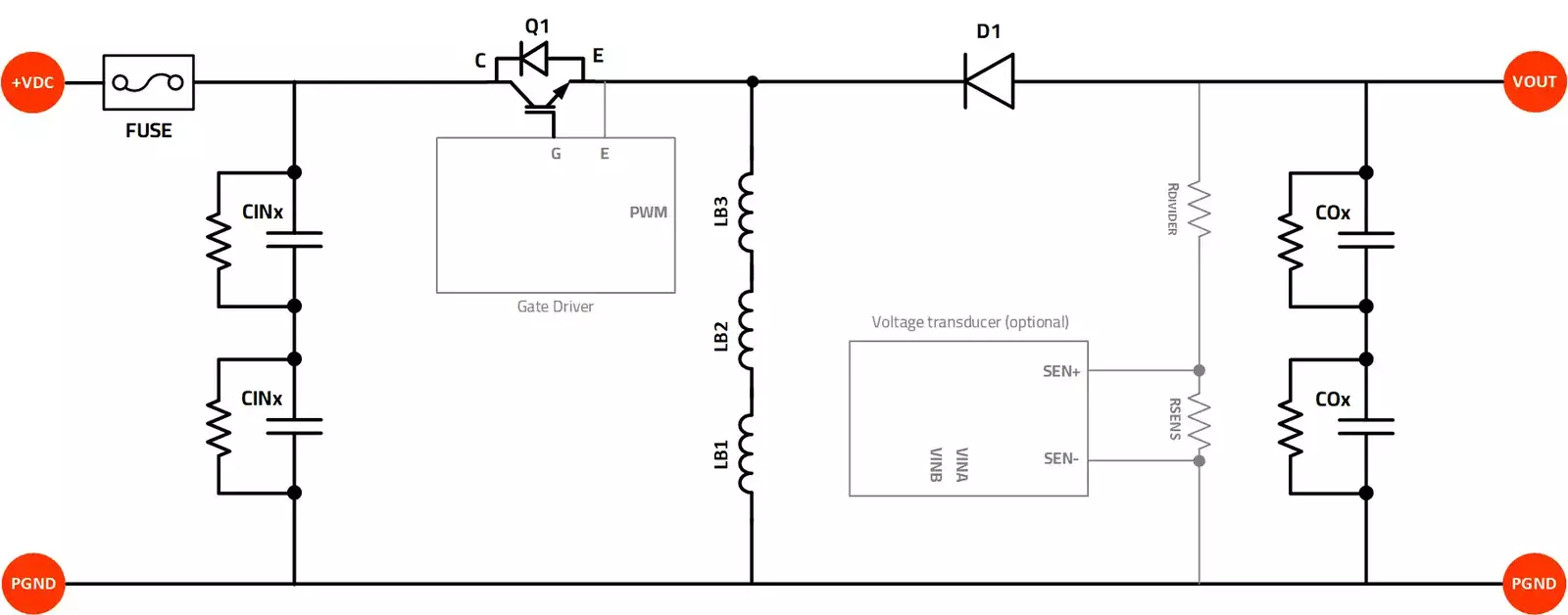
PEModule PLUGY DiscoveryCost effective, high performance, Buck-Boost Converter based on 1200V/30A IGBT including input boost inductor and output filter capacitor, isolated gate driver and optional isolated measurement for DC/DC Converters applications.

Main Features:

  • High-Performance switch and diode for high efficiency.
  • Integrated isolated gate driver with miller effect protection and TTL/CMOS PWM input compatible.
  • Including heat-sink and Thermal management for cooling.
  • Includes input boost inductor and output capacitor with wide ranges.
  • Over-current fuse protection.
  • Optional isolated input current and output voltage measurement.
  • No external components needed.
  •  Test Points for all switches terminals.
Datasheet
For Inquiry

Follow us

Buck-Boost Module Specifications


  Parameter Symbol Value Unit
  Collector-Emitter voltage (DC link voltage)   VCE800V 
 Collector Current   IC30 A
 Collector-Emitter saturation voltage  VCEsat 2.7 V
  Turn-on energy  Eon1.6 mJ
 Turn-off energy              Eoff0.90 mJ
 Total switching energy   Etot2.5 mJ
 Thermal resistance transistor junction to case  RthTJC 0.70W
Switching Frequency Fsw 50KHz

Compatible Transducer Module


Sensing Voltage
 (V RMS)
 VOA VOB
+/- 8000.001 * Vsens + 1.28-0.001 * Vsens + 1.28

Sensing Current
(A RMS))
 VOA VOB
+/- 100.08 * Isens + 1.27-0.08 * Isens + 1.27

Module Pin Control functionality

Pin  SymbolFunction
1+5 VDCPositive power supply
2,4,6GNDGround terminal
3PWM1PWM input signal TTL or CMOS
 5NCNot connected
7VOA Voltage measurement A signal
8VOBVoltage measurement B signal
9IinACurrent measurement A signal
 10IinBCurrent measurement B signal

Follow us!

For Inquiry
Expandable Article

PLUGY Discovery Series: Empowering Industry and Academia in Power Electronics

The PLUGY Discovery Series stands at the forefront of modern power electronics, offering a versatile range of products designed to meet the needs of both industrial applications and academic research. This comprehensive suite of modules integrates state-of-the-art technology with user-friendly design, enabling engineers, researchers, and students to push the boundaries of innovation.

Among the flagship offerings are the LEG Inverters, available in various configurations including IGBT-based models at 1200V/50A, 1200V/30A, and 650V/55A, as well as MOSFET-based models at 200V/50A. These inverters are celebrated for their reliability and high-performance capabilities, making them ideal for applications where robust voltage and current handling is essential. Their design prioritizes efficiency and safety, making them a trusted choice in both heavy industrial environments and precision-driven academic projects.

Complementing the inverters are the Buck, Boost, and Buck-Boost converters, engineered with similar power ratings using both IGBT and MOSFET technologies. These converters are specifically designed to manage voltage transformation with high efficiency and minimal energy loss. Whether stepping up or stepping down power levels, the converters offer a stable and consistent output, which is crucial for both experimental research and real-world industrial operations.

The series also includes advanced gate drivers and transducers tailored for IGBT, SiC MOSFET, and conventional MOSFET devices. These components are integral for controlling high-speed switching and for ensuring accurate measurement of current and voltage. Their high isolation levels contribute to the overall safety and reliability of power systems, providing engineers with the tools they need to develop innovative and secure power solutions.

Further broadening its scope, the PLUGY Discovery Series offers IPM three-phase inverters available in 1, 2, and 3 HP variants, as well as a single-phase 3HP rectifier. These products are particularly suited for motor drive applications and industrial power management. The modular design of these systems allows for easy scalability, making them suitable for a wide range of applications—from small-scale experimental setups to large industrial installations.

Another key component of the series is the BLDC motor drive, offered in several configurations including 48V/80A, 48V/40A, 60V/80A, and 60V/40A. These motor drives deliver high efficiency and precise control, which are critical for electric vehicle applications, industrial automation, and robotics. Their robust construction ensures that they can withstand demanding operational conditions while delivering consistent performance.

Overall, the PLUGY Discovery Series is designed with versatility and reliability in mind. Its products empower users by offering customizable solutions that can be seamlessly integrated into both industry projects and academic research. Whether used for prototyping in a university lab or deployed in a high-stakes industrial environment, these products facilitate a deeper exploration of power electronics principles while ensuring operational excellence and safety.

Items have been added to cart.
One or more items could not be added to cart due to certain restrictions.
Added to cart
Your cart has item(s).
- Can't add this product to the cart now. Please try again later.
Quantity updated
- An error occurred. Please try again later.
Deleted from cart
- Can't delete this product from the cart at the moment. Please try again later.